您當前的位置:首頁 > 產品中心 > WP蝸輪蝸桿減速機
下一篇:WPDKS蝸輪蝸桿減速機,空心軸蝸輪蝸桿減速機,自鎖蝸輪蝸桿減速機
詳細介紹:
東莞臺機減速機有限公司(臺灣天機牌)生產廠家制造銷售的WPDK蝸輪蝸桿減速機又稱立式蝸輪蝸桿減速機,該產品采用進口原材料,臺灣生產加工技術,并且通過ISO9001質量體系認證和CE認證,質量放心可靠。
WPDK蝸輪蝸桿減速機,立式蝸輪蝸桿減速機是一種動力傳達機構,利用齒輪的速度轉換器,將電機(馬達)的回轉數減速到所要的回轉數,并得到較大轉矩的機構。在目前用于傳遞動力與運動的機構中,減速機的應用范圍相當廣泛。
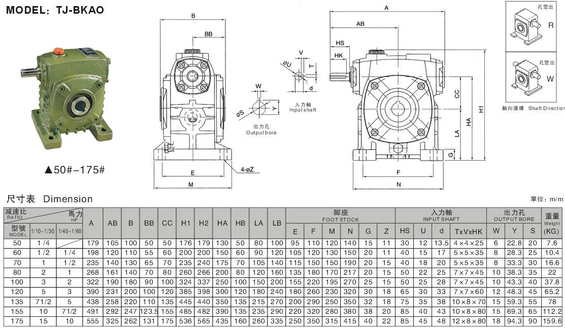
WPDK蝸輪蝸桿減速機,立式蝸輪蝸桿減速機是單軸輸入,空心軸輸出。WPDK減速機軸指向表示方法.機座號從40到250,可選速比從10到60。
以下是WPDK蝸輪蝸桿減速機,立式蝸輪蝸桿減速機選型參數圖



















